Ventilatori radiali a media pressione
RD 16, RE 16
Fino a 142 m³/min e 10.600 Pa. Alloggiamento in alluminio fuso, giranti con pale prevalentemente rovesce in alluminio, resistente alla corrosione.
Curve caratteristiche
Dati di potenza
Classe di efficienza
Flusso volumetrico
Differenza di pressione complessiva
Tensione
Frequenza
Corrente assorbita
Potenza
Velocità di rotazione del ventilatore
Peso
Condensatore
RD 16
16,1
1470
230/400
50
1,51/0,87
0,37
2845
17,0
-
Curve caratteristiche
Dati di potenza
Classe di efficienza
Flusso volumetrico
Differenza di pressione complessiva
Tensione
Frequenza
Corrente assorbita
Potenza
Velocità di rotazione del ventilatore
Peso
Condensatore
RD 16
16,3
1590
277/480
60
1,52/0,88
0,44
3440
17,0
-
Dati di potenza
Classe di efficienza
Flusso volumetrico
Differenza di pressione complessiva
Tensione
Frequenza
Corrente assorbita
Potenza
Velocità di rotazione del ventilatore
Peso
Condensatore
RE 16
16,0
1460
230
50
2,40
0,37
2850
17,5
12/450
ATEX
I modelli ATEX per questa serie sono disponibili su richiesta. Se siete interessati, compilate e inviateci il nostro modulo di autodichiarazione ATEX.
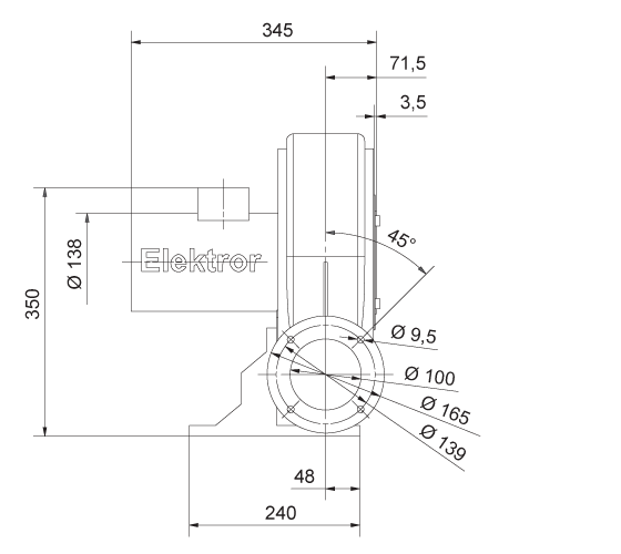
Disegni tecnici
Downloads
|
Istruzioni per l'uso RD (fr, it, nl, da) |
Istruzioni per l'uso | 7 MB | Scarica | |
|
Istruzioni per l'uso RD (es, pt, gr, pl) |
Istruzioni per l'uso | 7 MB | Scarica | |
|
Istruzioni per l'uso RD (cz) |
Istruzioni per l'uso | 3 MB | Scarica | |
|
Istruzioni per l'uso RD (no, se, fi) |
Istruzioni per l'uso | 6 MB | Scarica | |
|
Istruzioni per l'uso RD (ru) |
Istruzioni per l'uso | 4 MB | Scarica | |
|
Istruzioni per l'uso RD (zh) |
Istruzioni per l'uso | 4 MB | Scarica | |
|
Istruzioni per l'uso RD (de, en) |
Istruzioni per l'uso | 2 MB | Scarica | |
|
KA_RD_DE_EN_v2.pdf |
Catalogo | 5 MB | Scarica |










